Fastening tools
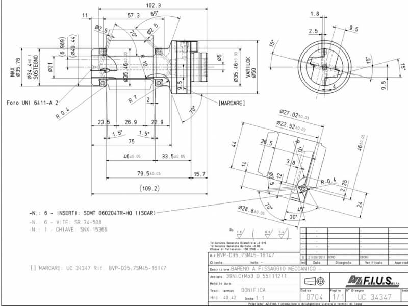
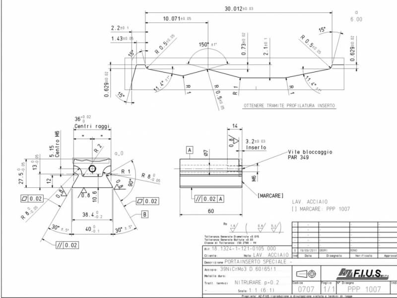
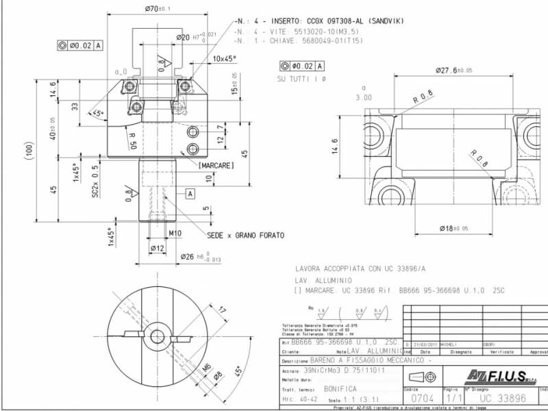
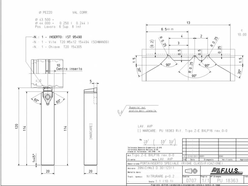
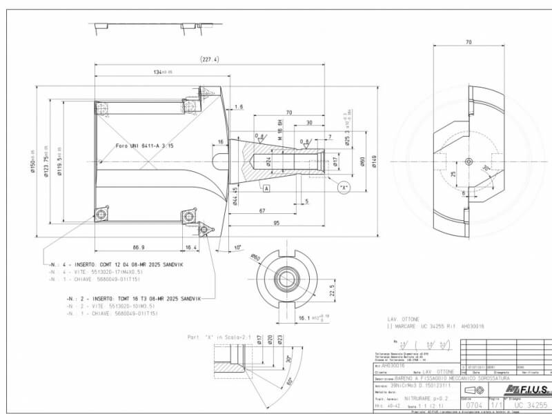
Modular systems, boring bars, cartridges with standard inserts or shaped inserts if required: this tool category combines versatility of use with easy and fast replacement.
Modular systems, boring bars, cartridges with standard inserts or shaped inserts if required: this tool category combines versatility of use with easy and fast replacement.